工业自动化仪表厂家

ZR-20系列一进一出智能信号隔离器采用创新的超低功耗技术和12.5mm超薄型设计,实现密集安装的同时,有效减少发热,同时显著节约机柜空间。不锈钢卡件,DIN35mm导轨式安装、插拔式接线端子、18-35V.DC宽电压直流供电、高精度,高隔离强度、全方位保护,成就ZR2000智能信号隔离器的业界影响力。
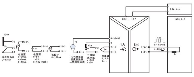
ZR-20智能信号隔离器为全功能型,支持最多22种标准信号输入,内部参数设置需PC8800专用编程器,此款编程器同样适用于ZR8000二入二出信号隔离器,ZR9000一入一出信号隔离器,ZR9000一入二出信号隔离器。
外形结构:DIN35mm卡装式;
连接方式:3mm接线端子;
机壳材质:耐燃性树脂;
隔离模式:通道相互绝缘(输入-输出-电源);
电源指示:绿色LED,工作时常亮;
输入报警:红色LED,输入回路异常时闪烁;
| 标准精度 | ±0.2% 25℃ |
| 冷补精度 | ±0.2℃ ke |
| 温度系数 | ±0.01%℃ |
| 响应时间 | ≤0.5S(0-90%) |
| 电源变动影响 | ≤0.1% /允许电压范围 |
| 绝缘电阻 | 输入-输出-电源之间 100MΩ |
| 隔离强度 | 输入-输出-电源-接地之间 DC1000v (1分钟) AC1000v(1分钟) |
| 负载电阻变化的影响 | ±0.1% 250Ω |
| 上电稳定时间 | ≤3s |
仪表型号 |
|
| 功能说明 | ||
ZR-20 | □ | □ | □ | □ | 一入一出 |
输入信号 | 00~23 |
|
|
| 见附表 |
输出信号 | 1 |
|
| 0~10mA | |
2 | 4~20mA | ||||
3 | 0~20mA | ||||
1V | 0~5V | ||||
2V | 1~5V | ||||
3V | 0~10V | ||||
供电电源 | D |
| 24V.DC | ||
L | 12V.DC | ||||
可选功能 |
| P | 带24V配电输出 | ||
【选型举例】-- ZR-20-23-2-DP
意义: 20系列一入一出信号隔离器, DC24v供电,万能输入型(出厂4-20mA),隔离输出4-20mA,带24V配电.


注明:
1.尊敬的客户,你购买时ZR-20智能信号隔离器产品,请与展瑞科技客服说明输入输出信号;
2.如果输入温度信号,请标注分度号及温范围,如Pt100(-50~450℃);
3.特殊输入/输出0~10V,请要特殊备注;
4.智能信号隔离器出厂标配:DC24V供电,一进一出,万能输入,输出4~20MA,带24V配电;
此文关键字:一进一出信号隔离器,智能信号隔离器,配电隔离器
选哪款仪表更适合现场使用? 展瑞科技为您支招,至真至诚!