工业自动化仪表厂家

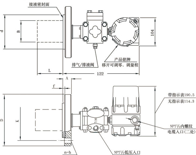
1151液位变送器是一种直接安装在管道或容器上的现场变送器。由于隔离膜片直接与液体相接处,无须将正压侧用导压管引出,因此可以测量高温、高粘度、易结晶、易沉淀和强腐蚀等介质的液位、压力和密度,然后将其转换成4-20mA.DC信号输出。
LT型液位变送器采用标准的法兰进行安装连接;ST卫生式液位变送器采用卡箍的形式,进行快速连接,它与介质的表面,经过精心的加工和处理,光洁度和清洁度皆符合卫生标准,内部的灌充液是以不污染介质为标准,选取和注入的,因此可以广泛应用于食品、饮料和医药等工业部门。
| 输入电压 | DC24V | 输出信号 | 4~20mA.DC | 工作精度 | ±0.2%/±0.25% |
| 量程范围 | 0~689.5KPa | 智能模拟 | 可选 | 本安防爆 | 可选 |
| 指示表头 | 液晶/指针可选 | 安装支架 | 可选 | 二次仪表 | 选配 |

1、品种齐全、精度高、稳定性好;
2、采用二线制的工作方式;
3、敏感元件采用固体化结构,小型坚固,抗振能力强;
4、量程和零位可要外部连续调节;
5、主要部件可与1151同类产品进行互换;
6、关键零部件、电子元件及接插件均采用国际上高质量产品。本系列产品可靠性好,质量稳定,故障率少;
7、正迁移可达500%,负迁移可达600%(最小量程时);
8、阻尼可调;
9、LCD3-1/2位移晶显示指示器和指针式指示表。

此文关键字:1151液位变送器,电容式液位变送器
选哪款仪表更适合现场使用? 展瑞科技为您支招,至真至诚!